ООО «Регионэлектросбыт» поставит многоступенчатый центробежный насос секционный ЦНС 105-490.
Поставляем все типы насосов: для холодной воды – ЦНС 105-490, для горячей воды – ЦНСг 105-490, для нефти – ЦНСн 105-490, для масла – ЦНСм 105-490, для химических сред – ЦНСк 105-490, а также соответствующие насосные агрегаты: ЦНСА 105-490, ЦНСгА 105-490, ЦНСнА 105-490, ЦНСмА 105-490 и ЦНСкА 105-490.
У нас большое складское наличие и низкие цены, гарантия от производителя и быстрая доставка по России.
Чтобы купить насос ЦНС 105-490 звоните по телефонам отдела продаж: +7 (343) 227-92-42 или направляйте заявку на почту: info@res-elektro.ru.
| Марка насоса | Номинальные | Рабочие | Кавит. запас, м | Масса насоса, кг | Электродвигатель | Габариты агрегата, мм | Масса агрегата, кг | |||||
| подача, м3/ч | напор, м | подача, м3/ч | напор, м | кВт | об/мин | L | B | H | ||||
| ЦНС(г) 105-490 | 105 | 490 | 80-130 | 410-540 | 5,5 | 958 | 250 | 3000 | 2870 | 860 | 910 | 2000 |
| ЦНСн 105-490 | 105 | 490 | 75-125 | 410-540 | 6 | 970 | 315 | 3000 | 3420 | 1230 | 1300 | 3400 |
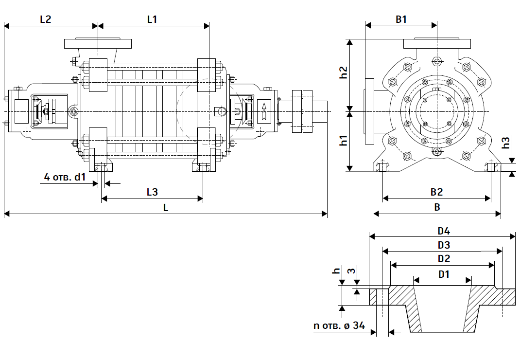
| Марка насоса | Габаритные размеры | Установочные и присоединительные размеры, мм | Размеры патрубков, мм | |||||||||||||||
| L | B | H | L1 | L2 | L3 | B1 | B2 | h1 | h2 | h3 | d1 | D1 | D2 | D3 | D4 | h | n | |
| ЦНС 105-490 | 2095 | 600 | 620 | 1005 | 650 | 930 | 340 | 520 | 280 | 340 | 35 | 26 | 125 | 212 | 250 | 310 | 42 | 8 |


1) Обозначение серии: ЦНС – центробежный насос секционный
2) Модификация:
без буквы – для холодной воды (до +45°С)
г – для горячей воды (до +105°С)
н – для нефти
м – для турбинного масла
к – для кислот и щелочей
3) без буквы – только насос, с буквой А – насосный агрегат (насос + электродвигатель на раме)
4) Тип уплотнения:
без буквы – сальниковое
т – торцевое
5) Номинальная подача, м3/час
6) Номинальный напор, м
7) Климатическое исполнение и категория размещения: для насосов типа ЦНС – стандартная заводсткая поставка УХЛ4, остальные категории размещения можем доработать
1) ООО «Регионэлектросбыт» сам агрегатирует насосы и подбирает электродвигатели под требования заказчика
2) Варианты поставки: насос в сборе с муфтой (и защитным кожухом), насос на раме или агрегат
3) При необходимости насос/насосный агрегат доукомплектовывается: термодатчиками сальников, подшипников насоса и электродвигателя
4) Уплотнения: стандартная поставка – с сальниковым уплотнением, при необходимости его можно заменить на одинарное или двойное торцевое
5) Паспорт и руководство по эксплуатации
6) ЗИП (запчасти, инструмент, принадлежности) – добавляем под запрос
7) Манометры – дополнительно
Насосы ЦНС применяются для систем холодного водоснабжения с температурой воды до +45°C.
Насосы ЦНСг применяются для систем горячего водоснабжения с температурой воды до +105°C.
Насосы ЦНСн применяются для перекачивания нефти температурой до +45°С и с температурой до +60°С при наличии системы принудительного охлаждения подшипников (поставляется отдельно). Аграгаты ЦНСнА комплектуются взрывозащищенными электродвигателями и большей мощности, чем аналогичные ЦНСА, в силу более высокой кинематической вязкости нефти, чем у воды.
Насосы ЦНСм предназначены для перекачивания масла турбогенераторов с диапазоном температур от +50 до +55°С.
Насосы ЦНСк предназначены для перекачивания агрессивных жидкостей, кислот, щелочей и химических реагентов с концентрацией до 98% и температурой от -50°C до +105°C. Также как и нефтяные, насосы ЦНСк агрегатируются взрывозащищенными электродвигателями, а проточная часть выполнена из хромированной стали.