



|
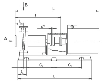
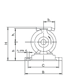
Типоразмер насоса> |
Тип двигателя |
B |
b1 |
C |
C2 |
H |
h |
h1 |
L |
l |
l1 |
l2> |
l3 |
l4 |
l5 |
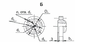
n |
d3 |
Масса насоса, кг |
|
АХ40-25-160 |
АИР100S2 |
418 |
- |
345 |
600 |
339 |
192 |
160 |
906 |
550 |
80 |
130 |
885 |
44 |
4 |
24 |
46 |
136 |
|
АИМ100S2 |
170 |
467 |
971 |
172 |
||||||||||||||
|
АИР100L2 |
- |
339 |
936 |
142 |
||||||||||||||
|
АИМ100L2 |
170 |
467 |
996 |
177 |
||||||||||||||
|
АИР90L2 |
- |
317 |
883 |
130 |
||||||||||||||
|
АИМ90L2 |
170 |
447 |
940 |
160 |
||||||||||||||
|
АХ50-32-160 |
АИР100L2 |
418 |
- |
340 |
600 |
339 |
192 |
160 |
936 |
550 |
80 |
130 |
885 |
44 |
4 |
24 |
49 |
145 |
|
АИМ100L2 |
170 |
467 |
996 |
180 |
||||||||||||||
|
АИР112M2 |
425 |
- |
345 |
365 |
980 |
150 |
997 |
38 |
180 |
|||||||||
|
АИМ112M 2 |
170 |
495 |
1045 |
210 |
||||||||||||||
|
АИР100S2 |
418 |
- |
339 |
907 |
44 |
140 |
||||||||||||
|
АИМ100S2 |
170 |
467 |
971 |
130 |
885 |
175 |
||||||||||||
|
АИР90L2 |
- |
317 |
884 |
134 |
||||||||||||||
|
АИМ90L2 |
170 |
447 |
941 |
164 |
||||||||||||||
|
АХ50-32-200 |
АИР160S2 |
460 |
165 |
380 |
750 |
455 |
230 |
180 |
1200 |
545 |
80 |
150 |
1065 |
53 |
4 |
24 |
60 |
285 |
|
АИМ160S2 |
210 |
565 |
1260 |
300 |
||||||||||||||
|
АИР160M2 |
165 |
455 |
1230 |
295 |
||||||||||||||
|
АИМP160M 2 |
210 |
565 |
1300 |
320 |
||||||||||||||
|
АИР132M2 |
425 |
- |
345 |
600 |
423 |
1095 |
997 |
245 |
||||||||||
|
АИМ132M 2 |
280 |
593 |
1155 |
289 |
||||||||||||||
|
АИР112M2 |
- |
403 |
1030 |
38 |
217 |
|||||||||||||
|
АИМ112M 2 |
170 |
533 |
1095 |
262 |
||||||||||||||
|
АХ65-40-200 |
АИР160S2 |
460 |
165 |
380 |
750 |
455 |
230 |
180 |
1220 |
565 |
100 |
150 |
1065 |
53 |
4 |
24 |
57 |
290 |
|
АИPМ160S2 |
210 |
565 |
1280 |
310 |
||||||||||||||
|
АИР180S2 |
504 |
184 |
430 |
540 |
280 |
1220 |
1122 |
335 |
||||||||||
|
АИМP180S2 |
210 |
635 |
1290 |
370 |
||||||||||||||
|
АИР132M2 |
425 |
- |
345 |
600 |
423 |
230 |
1115 |
545 |
80 |
997 |
250 |
|||||||
|
АИМ132M 2 |
280 |
593 |
1175 |
285 |
||||||||||||||
|
АХ100-65-315 |
АИР180S4 |
630 |
184 |
530 |
610 |
615 |
355 |
280 |
1430 |
795 |
125 |
120 |
1465 |
3 |
6 |
33 |
125 |
460 |
|
АИМ160S4 |
165 |
515 |
580 |
1430 |
1270 |
400 |
||||||||||||
|
АИPМ132M4 |
- |
550 |
1300 |
345 |
||||||||||||||
|
АИP132M4 |
- |
1300 |
||||||||||||||||
|
АИМP180S4 |
210 |
610 |
710 |
1500 |
1465 |
515 |
||||||||||||
|
АИМP160S4 |
210 |
515 |
690 |
1485 |
1270 |
430 |
||||||||||||
|
АИMP132M4 |
340 |
720 |
1360 |
1270 |
390 |
|||||||||||||
|
АХ100-65-400 |
4AMИ200М4 |
670 |
- |
570 |
595 |
745 |
410 |
330 |
1565 |
800 |
125 |
120 |
1430 |
3 |
6 |
33 |
186 |
695 |
|
АИР180Ь4 |
184 |
670 |
1475 |
610 |
||||||||||||||
|
АИР180S4 |
184 |
670 |
1455 |
590 |
||||||||||||||
|
АИР160М4 |
165 |
635 |
1485 |
565 |
||||||||||||||
|
АИМ200М4 |
410 |
760 |
1655 |
720 |
||||||||||||||
|
АИМР180М4 |
210 |
765 |
1575 |
690 |
||||||||||||||
|
АИМР180S4 |
210 |
765 |
1525 |
645 |
||||||||||||||
|
АИМР160М4 |
210 |
745 |
1555 |
600 |
||||||||||||||
|
АХ125-80-250 |
АИР160S4 |
630 |
165 |
530 |
515 |
580 |
355 |
280 |
1395 |
770 |
125 |
120 |
1270 |
3 |
6 |
33 |
105 |
370 |
|
АИМР160S4 |
210 |
690 |
1455 |
390 |
||||||||||||||
|
АИР160М4 |
184 |
580 |
1425 |
385 |
||||||||||||||
|
АИМР160М4 |
210 |
690 |
1495 |
415 |
||||||||||||||
|
АХ125-100-315 |
4АМИ200М4 |
630 |
210 |
530 |
610 |
655 |
380 |
315 |
1580 |
815 |
140 |
120 |
1465 |
3 |
6 |
33 |
160 |
575 |
|
4АМИ200L4 |
210 |
665 |
1630 |
600 |
||||||||||||||
|
АИР180S4 |
184 |
640 |
1445 |
500 |
||||||||||||||
|
АИР180М4 |
184 |
640 |
1495 |
520 |
||||||||||||||
|
АИМ200L4 |
390 |
730 |
1715 |
685 |
||||||||||||||
|
АИМ200М4 |
390 |
730 |
1675 |
655 |
||||||||||||||
|
АИМР180М4 |
210 |
735 |
1560 |
590 |
||||||||||||||
|
АИМР180S4 |
210 |
735 |
1510 |
560 |
||||||||||||||
|
АХ125-100-400 |
4АМ250S4 |
690 |
- |
585 |
1000 |
860 |
470 |
355 |
1725 |
810 |
140 |
270 |
1550 |
124 |
4 |
26 |
200 |
940 |
|
АИР250S4 |
240 |
810 |
1695 |
900 |
||||||||||||||
|
4АМ225М4 |
- |
820 |
1650 |
805 |
||||||||||||||
|
АИР225М4 |
200 |
780 |
1680 |
790 |
||||||||||||||
|
4АМИ200L4 |
210 |
805 |
1630 |
760 |
||||||||||||||
|
В250S4 |
500 |
850 |
1850 |
1125 |
||||||||||||||
|
B225M4 |
410 |
905 |
1750 |
950 |
||||||||||||||
|
АИМ225М4 |
390 |
845 |
1710 |
880 |
||||||||||||||
|
АИМ200L4 |
390 |
860 |
1780 |
835 |
||||||||||||||
|
ВАО-82-4 |
- |
910 |
1720 |
910 |
||||||||||||||
|
КО-52-4 |
146 |
900 |
2005 |
1550 |
||||||||||||||
|
АХ150-125-315 |
4АМ250S4 |
690 |
- |
585 |
1000 |
860 |
470 |
355 |
1720 |
810 |
140 |
270 |
1550 |
124 |
4 |
26 |
185 |
925 |
|
АИР250S4 |
240 |
810 |
1685 |
885 |
||||||||||||||
|
4АМ225М4 |
- |
820 |
1645 |
790 |
||||||||||||||
|
АИР225М4 |
200 |
780 |
1670 |
770 |
||||||||||||||
|
4АМИ200L4 |
- |
1635 |
735 |
|||||||||||||||
|
4АМИ200М4 |
- |
1595 |
705 |
|||||||||||||||
|
АИР180М4 |
184 |
910 |
730 |
1485 |
1395 |
605 |
||||||||||||
|
АИМР225М4 |
390 |
1000 |
845 |
1700 |
1550 |
855 |
||||||||||||
|
АИМР200L4 |
795 |
1700 |
785 |
|||||||||||||||
|
АИМР200М4 |
1665 |
755 |
||||||||||||||||
|
АИМР180М4 |
210 |
910 |
825 |
1555 |
1395 |
655 |