
|
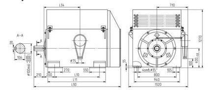
Тип двигателя |
Габаритные установочные и присоединительные размеры, мм |
Масса, кг |
|||
|
L10 |
L11 |
L30 |
L34 |
||
|
ДАЗО4-400ХК-4М |
900 |
1140 |
1775 |
740 |
2190 |
|
ДАЗО4-400Х-4М |
2330 |
||||
|
ДАЗО4-400У-4M |
1000 |
1240 |
1875 |
840 |
2630 |
|
ДАЗО4-400ХК-6M |
900 |
1140 |
1775 |
740 |
2220 |
|
ДАЗО4-400Х-6M |
2380 |
||||
|
ДАЗО4-400У-6M |
1000 |
1240 |
1875 |
840 |
2650 |
|
ДАЗО4-400Х-8M |
900 |
1140 |
1775 |
740 |
2340 |
|
ДАЗО4-400У-8M |
1000 |
1240 |
1875 |
840 |
2610 |
|
ДАЗО4-400У-10M |
1000 |
2590 |
|||

|
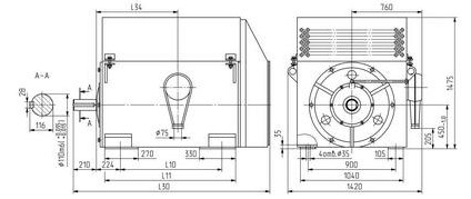
Тип двигателя |
Габаритные установочные и присоединительные размеры, мм |
Масса, кг |
|||
|
L10 |
L11 |
L30 |
L34 |
||
|
ДАЗО4-450Х-4М |
900 |
1190 |
1825 |
790 |
2900 |
|
ДАЗО4-450У-4M |
1000 |
1290 |
1925 |
890 |
3300 |
|
ДАЗО4-450Х-6M |
900 |
1190 |
1825 |
790 |
2950 |
|
ДАЗО4-450У-6M |
1000 |
1290 |
1925 |
890 |
3350 |
|
ДАЗО4-450Х-8M |
900 |
1190 |
1825 |
790 |
2870 |
|
ДАЗО4-450УК-8M |
1000 |
1290 |
1925 |
890 |
3200 |
|
ДАЗО4-450У-8M |
3470 |
||||
|
ДАЗО4-450Х-10M |
900 |
1190 |
1825 |
790 |
2770 |
|
ДАЗО4-450У-10M |
1000 |
1290 |
1925 |
890 |
3100 |
|
ДАЗО4-450Х-12M |
900 |
1190 |
1825 |
790 |
2860 |
|
ДАЗО4-450У-12M |
1000 |
1290 |
1925 |
890 |
3120 |

|
Тип двигателя |
Габаритные установочные и присоединительные размеры, мм |
Масса, кг |
|||
|
L10 |
L11 |
L30 |
L34 |
||
|
ДАЗО4-85/37К-4 |
1000 |
1340 |
1975 |
870 |
2820 |
|
ДАЗО4-85/37-4 |
|||||
|
ДАЗО4-85/43-4 |
3065 |
||||
|
ДАЗО4-85/49-4 |
1120 |
1460 |
2095 |
990 |
3325 |
|
ДАЗО4-85/55-4 |
3530 |
||||
|
ДАЗО4-85/40-6 |
1000 |
1340 |
1975 |
870 |
2800 |
|
ДАЗО4-85/51-6 |
1120 |
1460 |
2095 |
990 |
3300 |
|
ДАЗО4-85/54-6 |
3400 |
||||
|
ДАЗО4-85/59-6 |
3600 |
||||
|
ДАЗО4-85/51-8 |
1000 |
1340 |
1975 |
870 |
2900 |
|
ДАЗО4-85/62-8 |
1120 |
1460 |
2075 |
990 |
3750 |